400-003-8066

麻豆影院91性欲案例分析

您所在的位置: 首页 > 资讯频道 > 设计规范 > 剧场强奸乱伦麻豆 > 声系统设备互连的优选配接值GBT14197-1993

声系统设备互连的优选配接值GBT14197-1993

来源:ZOBO麻豆影院91性欲 发布日期 2022-11-01 浏览:

  因篇幅有限请到资料下载 下载完整文件。

  还可以了解更多关于会议室解决方案、产品和案例 等信息。

  还可以了解更多关于麻豆传播媒体APP大全免费版场馆解决方案、产品和案例 等信息。

  还可以了解更多关于剧场强奸乱伦麻豆解决方案、产品和案例 等信息。

  还可以了解更多关于学校教育 解决方案、产品和案例 等信息。


  本标准等效釆用标准IEC268—15《声系统设备互连的优选配接值》。

1主题内容与适用范围

1.1主题内容

  本标准规定了声系统设备互连用电的优选配接值。

1.2适用范围

  本标准适用于传声器、唱盘、调谐器、磁带录音机、前置放大器、辅助设备、扬声器系统、头戴耳机、数字音频源等和放大器互连时作电的配接,供设计、使用、配套及有关标准制订时采用。

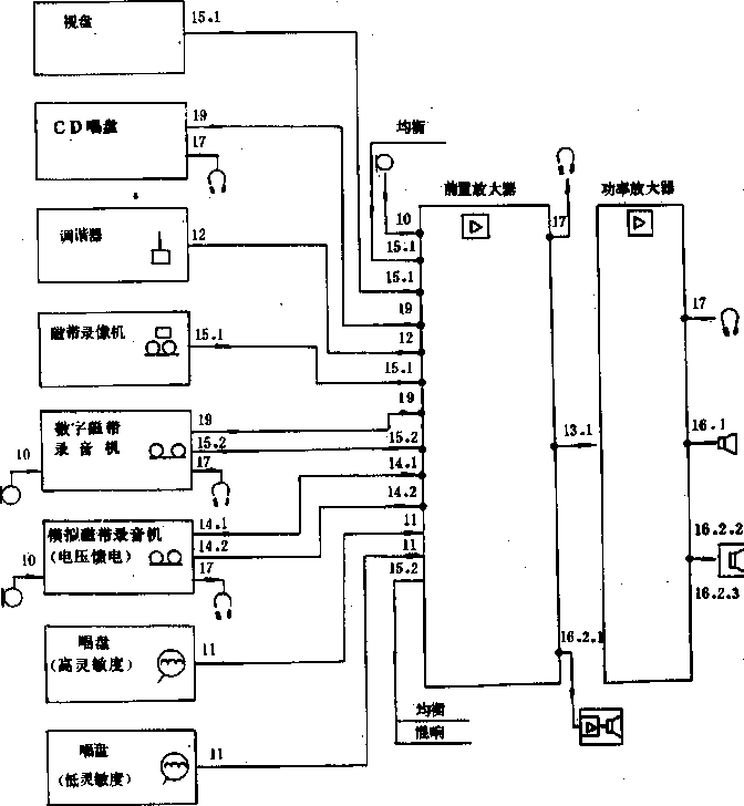
  注:图1给岀了音频互连的示意图,并附有相应的章条。.

声系统设备互连的优选配接值GBT14197-1993

图1音频互连图

2引用标准

  GB/T2354模拟电唱盘通用技术条件

  GB5819.391麻豆精品秘密入口设备用圆形连接器详细规范YG型圆形连接器

  GB6832头戴耳机测量方法

  GB8898电网电源供电的家用和类似一般用途的电子及有关设备的安全要求

  GB9001声频放大器测量方法

  GB9396扬声器主要性能测量方法

  GB9401传声器测量方法

  GB12060声系统设备一般术语解释和计算方法

  SJ/Z 9118.1 (IEC94-1) 磁带录放音系统第1部分:一般条件与要求

  SJ/Z 9118-2 (IEC94-2) 磁带录放音系统第2部分:校准带

  SJ/Z 9140.1 (IEC268-1) 声系统设备第1部分:概述

  SJ/Z 9140.2 (IEC268-6) 声系统设备第6部分:辅助无源元件

篇电源

3交流电源电压和频率

  3.1交流电源的电压为220V±10%、频率为50Hz±5%。

  3.2对于特殊用途,例如船舶和飞机,采用其他电压和(或)频率以及所允许的容差,须经制造方与用户协商同意。

4直流电源电压

  直流电源电压和容差在表1中给出。在给出的限电压下,设备应能工作,但是不需要满足全部指标。

表1

   

额定电压/电池

下限

正常电压

■上限

原电池,

勒克朗谢型

1.5

1.0

1. 5

L65

二次电池,:

 

 

 

 

铅酸电池(车辆电池除外)

2.0

1.8

2. 0 .

2.2 *

铅酸电池(车辆电池)

2..0

L8 -

2,4

2, 6

棟福电池.

1.2

L1

1.2

1.4


5传声器馈电电源

  参照第10.3,10.4和10.5条。

篇互连

6连接

  信号电缆应具有合适的电性能,以使声频信号能在声頻系统各部分间传递。

7连接器

  系统内用的连接器,应参照第2章所给出的引用标准。

第三篇标志

8标志

  参照SJ/Z 9140.1(IEC268-1)标准。

  如巣为了正常运行设备需要接地,则应标明。

  具有独立电源系统的传声器,应按第10.4.4条及10.5.5条规定作出标志。

9一般用途的输入

  在前置放大器设计中为了保持使用的大灵活性及兼容性,本标准中所述的所有高电平(0.5V额定源电动势)无均衡输入应具有相同的规范,这就称为“一般用途的输入”。

  为了简化操作,制造者可以有选择志出一部分或全部用途的输入,例如调谐器,磁带录音机或辅助输入,但所有这些输入口的规范仍应完全一致。

第四篇优选配接值

10传声器和放大器的配接

  10.1传声器〈不包括压电式)

  传声器和放大器的配接应按表2的规定。

表2

传声器

放大器

优 选 值

 

传声器输入

电动式和驻体传声,器

电容传声器

额定阻抗

额定源阻抗

200Q

6oon

2kfl

200Q

6oon

额定负载阻抗

Ikfl

3kn

lOkfl

IkQ

3kO

输入阻抗n

NlkQ

>3kn

>10kfl

>lkfl

 

额定输出电压2)

额定源电动势

0・ 2mV

0. 35mV

0. 6mV

L OmV

2. OmV

额定输出电压对应的小源电 动勢

0. 08mV

0- 14mV

0. 24mV

0- 4mV

0. 8mV

大输出电压釘

广播和扩声用的过载源电动势

0. 2V

0.35V

0. 6V

IV

2V

大输出电压Q

家用时的过载源电动势©

20mV

35mV

60mV

——

.一

注:1)此阻疣價适用于从0.4〜16kHz整个频率范围。


  注:1)此阻疣價适用于从0.4〜16kHz整个频率范围。

  2)应与GB 9401中额定输出电压一致。

  a.所给的值相应于0.2Pa声压〔80dB(以20μPa为参考)声压〕。

  b.对近讲传声器,额定输出电压为相应于3Pa声压〔104dB(以20μPa为参考)声压〕,这类传声器的优选值应比所列数值高20dB°

  3)规定值是相应于l00Pa声压〔134dB(以20μpa为参考)声压〕,并计入传声器灵敏度的6dB余量。过载源电动势的要求可由调节前置放大器内增益控制器前的可调衰减器来满足。.

  4)规定值是相应于l0Pa声压〔114dB(以20μPa为参考)声压〕,并计入传声器灵敏度的6dB余量。对于电网工作的家用设备,为了避免在条件下的过载,可能要按广播及扩声给出的值。

  5)家用传声器,优选600Ω的额定阻抗。

  10.2内装放大器的传声器

  这类传声器可配备有可调衰减器或电增益控制电路。

  输出特性应当与适当类型传声器的优选值或辅助设备输岀的优选值相一致(第15.1条)。

  10.3通过独立导线馈给驻体传声器的供电电源

  电源电压U=4.5〜12V。

  当使用GB 5819.3给定的YCJTP/YCKTF连接器时,应满足此要求。

  10.4幻像供电系统

  10.4.1概述

  幻像供电系统中,两个信号导线具有相同的直流电位,这就允许传声器的连接既可用于不需要电源的传声器(例如电动式)又可用于具有独立电源馈电电路的传声器。无论那种情况,重要的是传声器所连到的放大器具有平衡的浮动输入。

  10.4.2电源电压性

  电源电压正应接到两个信号导线的电,负应接到电缆的屏蔽层。

  10.4.3电路图

  用于连接和供电电源的典型电路在图2中给岀。电阻R1和R2应在其标称值的±10%以内,并且匹配到±0.4%以内。

声系统设备互连的优选配接值GBT14197-1993

图2幻像供电系统

  表3列岀了电压和电流的要求值以及R1和R2的典型值。

  替代图中所示的电阻和(或)变压器,可以使用其它电路元件来保证满足表3给定的电压和电流要求,且不破坏电路的平衡。

  注:可以使用经串联电阻馈电的抽头变压器.

表3

电源电压U

     12±IV    

     24±4V    

     48±4V    

电源电流I

大15mA

大10mA

大10mA

R1和R2(典型值)

68OΩ

1.2kΩ

6.8kΩ


  注:1)配有1.2kΩ电阻的设备与设计为12V工作的某些传声器是不能兼容的,这种传声器至少需要2.4kΩ电阻和24V电源。

  10.4.4标志

  在传声器上应采用符号P12,P24或P48来标志电源电压。

  如果传声器设计成工作在一种以上的电源电压,则应使用合适的标志来标明,例如P48/12。

  10.4.5电源电压的优选值

  虽然12V和48V仍在使用,为了新的发展,优选采用24V。


  因篇幅有限请到资料下载 下载完整文件。

  还可以了解更多关于会议室解决方案、产品和案例 等信息。

  还可以了解更多关于麻豆传播媒体APP大全免费版场馆解决方案、产品和案例 等信息。

  还可以了解更多关于剧场强奸乱伦麻豆解决方案、产品和案例 等信息。

  还可以了解更多关于学校教育 解决方案、产品和案例 等信息。


网站地图