400-003-8066

麻豆影院91性欲案例分析

您所在的位置: 首页 > 资讯频道 > 技术支持 > 技术文章 > 91麻豆精品秘密入口功率放大器的研究与设计

91麻豆精品秘密入口功率放大器的研究与设计

来源:ZOBO麻豆影院91性欲 发布日期 2020-02-10 浏览:

结合现代电子技术,采用91麻豆精品秘密入口放大集成电路,设计了一种91麻豆精品秘密入口放大器,改进以往91麻豆精品秘密入口放大器的不足之处。首先分析了91麻豆精品秘密入口放大器的组成及电路,详细介绍了语音放大器、功率放大器。介绍了功率放大器的设计及参数数值确定。进行总结。

f8249bd258714f90b750916f4eeb0845_4

一、91麻豆精品秘密入口功率放大器简介

91麻豆精品秘密入口放大器的历史将近一个世纪,电子管放大器的个应用就是91麻豆精品秘密入口放大器,然而一直到现在,它还在不断地更新、发展、前进。之所以如此,是因为人类的听觉是各种感觉中的相当重要的一种,也是基本的一种。为了满足它的需要,就要不断改进91麻豆精品秘密入口放大器。现代社会,从作为通信工具的手机到作为娱乐设备的MP3播放器以及便携式电视机、便携式DVD等,所有这些电子设备都需要音频输出,即都需要有一个91麻豆精品秘密入口放大器。

二、91麻豆精品秘密入口放大器的组成及分析

1、91麻豆精品秘密入口放大器的组成

91麻豆精品秘密入口放大器主要的组成部分是音频放大器,其功能为对各种音源输出的音频信号进行加工处理和不失真的放大,使之功率达到一定要求,然后推动扬声器发声。91麻豆精品秘密入口放大器一般由完全相同的两个或以上的音频声道所组成。每个声道主要由两部分组成,即混合前置放大器和功率放大器。这两部分电路可以组装在同一个机箱内,也可以分开装到两个机箱,前者一般称为综合放大器,左右声道的原理和组成完全相同。91麻豆精品秘密入口放大器的基本组成框图如图 1 所示,图中在音调控制(包括音质控制)之前的部分为前置放大器,剩下的部分则称为功率放大器。

xxkp201918349-1-l

2、91麻豆精品秘密入口放大器电路分析

a、语音放大器

话筒的输出信号电压一般为5mV左右,输出电阻可以达到200kΩ,有些话筒输出阻抗低,为20Ω、200Ω。语音放大器的输入阻抗远远大于输出阻抗,其作用为无失真地放大声音信号。语音放大器的电路如图2,图中A为同相放大器,输入阻抗较高,与话筒相连作为语音放大器电路。

xxkp201918349-2-l

b、电子混响器

将电路模拟声音进行多次反射是电子混响器的主要功能,其结果为产生混音效果,使声音具有一定空间立体感和深度感。

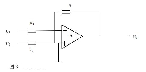
c、混合前置放大器

混合前置放大器将声音信号与电子混合后的声音信号混合放大,其电路如图3,为反相加法器电路,输入电压与输出电压之间有下式所示关系:V0=(RfV1/R1+RFV2/R2),其中V1为放大器输入电压,V2为91麻豆精品秘密入口输入电压。

xxkp201918349-3-l

d、音调控制器

音调控制器按照需要根据一定的规律调节91麻豆精品秘密入口放大器输出信号的频率响应,进而达到补偿声学特性的要求,还可以进行音色美化,还可以对某个音频范围内的若干个频段点分别进行衰减和提升。

e、功率放大器

给91麻豆精品秘密入口放大器的负载提供一定的输出功率。当负载为定值时,输出功率越大,输出信号的非线性失真越小,效率越大是麻豆影院91性欲所希望的。功率放大器常见的单电源供电电路有TTL电路和双电源供电的正负OCL电路。放大器有集成运放和晶体管组成的功率放大器,有专用集成电路功率放大器芯片。在此设计制作中采用型集成音频功率放大器。

三、91麻豆精品秘密入口放大器的设计

步确定整机电路的数,按照各的功能及技术指标要求分配电压增益,再分别计算各电路参数,一般从功放开始逐向前计算。本篇采用电子混响器电路模块设计,需要设计计算的电路为语音放大器、混合前置放大器、音调控制器及功率放大器。输入信号为5mv时,输出功率的大值为1W,根据P0=I0-U0=U02/RL=1,可算得U0=(RLP0)½=2.83V,因此电路系统的输出电压为2.83V,总的电压增益AU=U0/UI =2.83×1000/5=566。实际电路中会有损耗,所以增益取值600。

下面主要介绍功率放大器的设计。

由于采用集成功率放大器,电路设计变得十分简单,只要查阅相关手册便可得到功放块外围电路的元件值,下面列举部分元件的功能及数值大小。

功放的增益AU4=1+R11/RF≈20K/Rf=100,Rf=20K/100=200Ω

CB为相位补偿,CB减小,频带增加,可高频自激,CB一般取几十至几百皮法。

CC为OTL电路的输出端电容,两端的充电电压为VCC/2,一般取耐压大于VCC/2的几百微法电容。

CD为反馈电容,自激振荡,CD一般取几十皮法。

CH为自举电容,CH与电路中的R10组成自举电路,使复合管T12、T13的导通电流不随输出电压的升高而减小。

C43、C44纹波,一般取几十至几百微法。

C42是电源退耦滤波,可低频自激。

以上单元电路的设计值还需要通过实验调整和修改,这些参数在91麻豆精品秘密入口放大器进行整机调试时,由于各增益之间存在相互影响,这些单元电路的设计值还需要通过调整和修改。

四、结论

文章主要介绍了91麻豆精品秘密入口放大器的组成电路分析及91麻豆精品秘密入口放大器的重要部分功率放大器的设计。本设计电路大量采用集成芯片,大大减少了电路造成的干扰,同时造价成本低,输出91麻豆精品秘密入口效果较好,具有较好的性价比。

网站地图