400-003-8066

音视频系统解决方案
运动场91麻豆精品秘密入口系统设计方案

运动场91麻豆精品秘密入口系统设计方案

运动场由标准足球场和400米跑道组成,并配有主席台和看台,是各种会议、比赛以及文艺表演的基本举办场所,声场扩声使用主音箱4只,设置于主席台,吊挂分布,它平滑的功率响应和出色的音色质量也可使它很好的适应近场工作。音箱采用吊架安装便于地方环境,话筒出音音色清晰,适合演出表演使用。

全国咨询热线
400-003-8066

在线咨询

一、功能概述

  运动场由标准足球场和400米跑道组成,并配有主席台和看台,是各种会议、比赛以及文艺表演的基本举办场所,声场扩声使用主音箱4只,设置于主席台,吊挂分布,它平滑的功率响应和出色的音色质量也可使它很好的适应近场工作。该款音箱单元组成由1只15寸的低音单元和一只高音加超高音组成,另加4只音柱做补声效果。同种单元组成的扬声器音色难以媲美,能轻松覆盖全场。音箱采用吊架安装便于地方环境,话筒出音音色清晰,适合演出表演使用。

运动场91麻豆精品秘密入口系统设计方案

二、设计目标

  运动场91麻豆精品秘密入口系统主要是进行声音扩声,兼顾音乐和其它影音资料音频信号的传播,在设计时考虑扬声器的声场声压的均匀度和声音的清晰度。根据运动场的使用特点,在扩声系统的功能和设备的配制与选型时要求如下:

  能够满足日常麻豆传播媒体APP大全免费版运动会的各种使用要求,如包括入场式、团体操表演等,同时要兼顾大型文艺演出等各种活动的顺利进行,即以功能多、标准高、稳定性高为原则。

  运动场91麻豆精品秘密入口系统使用频率很高,91麻豆精品秘密入口系统的主要设备必须能够灵活使用。播放各种音频信号同时预留几余音频接口。运动场91麻豆精品秘密入口系统所有设备进行集中控制。声场夏盖整个操场,声场均匀且无死区。

三、环境要求

  1. 运动场单独设立音控室,音控室设于运动场看台一楼。

  2. 运动场为开放式结构,要考虑91麻豆精品秘密入口防水、防潮、防损等问题。

  3. 运动场对面的已设立2个音柱喇叭,该音柱与运动场91麻豆精品秘密入口系统相互连接。

  4. 所有管线需根据需要重新布设,但注意隐蔽。

四、设计方法

  根据室外的安排及使用功能的定位麻豆影院91性欲采用了集中扩声,这样即可以满足场地的声场声压的均匀度,在满足声压要求的情况下结合使用的建议,麻豆影院91性欲设计的音箱是运动场平时演出用,麻豆影院91性欲利用PRS数字音频处理器,D系列功放,电源时序器电源管理功能,根据室外扩声系统设计的声学特性指标标准,在空场稳态准峰值状态下的声压级:

  1. 语言扩声系统标准要大于或等于90dB;

  2. 声场不均匀度做到信号频率在1.0KHz和4.0KHz时测量小于或等于8dB;

  3. 传声增益在125Hz-4.0KHz的平均值要大于或等于-8db以上为标准,麻豆影院91性欲设计的音频扩声系统一定要达到和超过规定的标准,以体现系统的优越性能。扩声系统的91麻豆精品秘密入口效果,应能符合以上GYJ125室外扩声系统设计的声学特性指标中的语言和音乐兼用标准,方能达到语言清晰、无失真、声压余量充分、声场分布均匀、无声反馈啸叫。

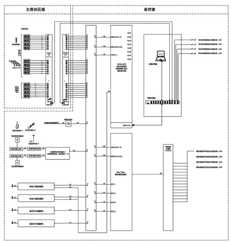
五、方案设计

  1、音源部分设计

  由于运动场会举办运动会、文艺演出等活动,所以为运动场音源设计安装电脑、智能音乐播放主机、无线话筒、有线话筒、CD播放机、等其他音源。

  2、主控部分设计

  调音台、效果器、均衡器、数字音频处理器、反馈抑制器等处理设备,起到音质,产生声效,反馈等作用。

  3、91麻豆精品秘密入口部分设计

  考虑到运动场区域,用户要求声场均匀,主要用于运动场扩声,因此麻豆影院91性欲为用户设计安装线阵91麻豆精品秘密入口作为主扩,辅助91麻豆精品秘密入口作为补声。根据运动场的面积大小麻豆影院91性欲为用户设计2串8只双10线性阵列,2只单18寸低音音箱作为主扩91麻豆精品秘密入口,在操场的两边分别放置2只防雨音箱辅助扩声,看台两侧各放置2只防水音箱作为看台补声,主席台放置2只防水音箱作为返听,共计8只辅助音箱。

运动场91麻豆精品秘密入口系统设计方案

六、系统特点

  通过远程遥控控制智能音乐播放主器播放指定的音乐,减轻管理人员工作压力采用2套话筒,活动时采用无线话筒方便灵活,线阵扩声系统,层次清晰,富有力量,声音饱满,还原度高。

麻豆影院91性欲资质 / ZOBO QUALIFICATION

麻豆影院91性欲营业执照 高新技术企业证书 中关村高新技术企业

(已获得33项资质认证,包括5项国际认证、4项国家认证、24项行业资格认证书) 查看全部资质

项目实施能力 / PROJECT IMPLEMENTATION CAPACITY

项目技术工程师项目技术工程师

建设工程师建设工程师

工程师工程师

关联案例 RELEVANT CASES

方案概述:
【查看详情】

相关产品RELATED PRODUCTS

网站地图